CLAMAX-GRIP-N узкая
Муфты для соединения труб в ограниченных условиях
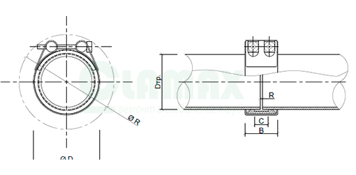
Основным преимуществом узких муфт является их малый размер, что позволяет значительно экономить пространство и упрощает соединение труб в ограниченных пространствах, на изгибах. Муфты применяются для соединения всех металлических, ПВХ, и других видов труб.
Рабочее давление до 32 бар
Диаметр от 76.1-377.0 мм
Диапазон температур от -70° C до +300° C
Уплотнение EPDM, NBR, MVQ, FPM/FKM
Clamax-GRIP-N узкие муфты предназначены для соединения всех металлических трубопроводов.
Муфта CLAMAX-GRIP-N оснащена двумя анкерными зубчатыми кольцами и является муфтой с жесткой осевой фиксацией. Прогрессивный анкерный эффект обеспечивает надежность соединения, особенно при повышении давления.
см подробнее про анкерный эффект
Возможно изготовление муфт любого диаметра и сферы использования по требованию Клиента. Уточните возможность изготовления у наших специалистов.
ОТПРАВИТЬ ЗАПРОС
Спецификация CLAMAX-GRIP-N
| CLAMAX-GRIP-N |
| Материал/Деталь |
М1 |
М2 |
М3 |
М4 |
М5 |
| Корпус |
AISI 304 |
AISI 316L |
AISI 316Ti |
AISI 316L |
AISI 316Ti |
| Стяжные болты |
AISI 304 |
AISI 316L |
AISI 316L |
AISI 304 |
AISI 304 |
| Закладные болты |
AISI 304 |
AISI 316L |
AISI 316L |
AISI 304 |
AISI 304 |
| Кольцевая вставка (опция) |
AISI 301 |
AISI 301 |
AISI 301 |
AISI 301 |
AISI 301 |
| Возможно изготовление кольцевой вставки из AISI316L/316Ti |
Материал уплотнения |
Рабочая температура
[℃]
|
Рабочая среда |
EPDM |
-30℃ до +130℃ |
Все виды водных растворов, сточные воды, воздух, твердые вещества и химические продукты |
NBR |
-30℃ до +100℃ |
Вода, газ, нефть, топливо и другие углеводороды |
VITON/FPM/FKM |
-40 (20)℃ до +300 (230)℃ |
Озон, кислород, кислоты, нефть, газ и топливо (только с вкладкой) |
MVQ |
-70℃ до +260℃ |
Высокотемпературная жидкость, кислород, озон, вода ... |

* Другие размеры (d) по запросу.
Внимание!!!
- Возможно изготовление вашего размера (d) муфт по запросу.
- Возможно исполнение кольцевой вставки из AISI316L/316Ti.
- Изготовим муфты под ваши размеры, под заказ. Проконсультируйтесь с нашими специалистами.
рабочее давление для судостроения. Рабочее давление с учетом четырехкратного запаса прочности.
рабочее давление для инфраструктуры и промышленности. Тест давление=Рабочее давление х 1,5.
- PN = рабочее давление при соблюдении допустимых нагрузок
- В соответствии с DIN 86128
- Кольцевые вкладки заказываются дополнительно
- Дополнительные уплотнения и информация по температурным интервалам доступны по запросу.
ОТПРАВИТЬ ЗАПРОС