CLAMAX-GRIP для всех металлических труб
Муфта с жёсткой осевой фиксацией
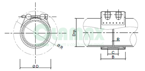
Муфта с жёсткой осевой фиксацией для всех труб из металлов.
Рабочее давление до 46 бар
Диаметр от 21.3 мм
Диапазон температур от -70° C до +300°
Clamax-GRIP предназначены для соединения всех металлических трубопроводов
Муфты используются в гражданском и промышленном строении: судостроение, жилищно-коммунальное хозяйство, вакуумные системы, системы нержавеющих трубопроводов....
Главное преимущество таких муфт состоит в том,что они имеют небольшой вес, просты в установке, не требуют специальных навыков для монтажа.
ОТПРАВИТЬ ЗАПРОС
Спецификация CLAMAX-GRIP
| CLAMAX-GRIP |
| Материал/Деталь |
М1 |
М2 |
М3 |
М4 |
М5 |
| Корпус |
AISI 304 |
AISI 316L |
AISI 316Ti |
AISI 316L |
AISI 316Ti |
| Стяжные болты |
AISI 304 |
AISI 316L |
AISI 316L |
AISI 304 |
AISI 304 |
| Закладные болты |
AISI 304 |
AISI 316L |
AISI 316L |
AISI 304 |
AISI 304 |
| Кольцевая вставка (опция) |
AISI 301 |
AISI 301 |
AISI 301 |
AISI 301 |
AISI 301 |
| Возможно изготовление кольцевой вставки из AISI316L/316Ti |
Материал уплотнения |
Рабочая температура [℃]
|
Рабочая среда |
EPDM |
-30℃ до +130℃ |
Все виды водных растворов, сточные воды, воздух, твердые вещества и химические продукты |
NBR |
-30℃ до +100℃ |
Вода, газ, нефть, топливо и другие углеводороды |
VITON/FPM/FKM |
-40 (20)℃ до +300 (230)℃ |
Озон, кислород, кислоты, нефть, газ и топливо (только с вкладкой) |
MVQ |
-70℃ до +260℃ |
Высокотемпературная жидкость, кислород, озон, вода ... |

ОТПРАВИТЬ ЗАПРОС
ОТПРАВИТЬ ЗАПРОС
ОПРОСНЫЙ ЛИСТ